| |
|
 根據類型分類 |
|
|
|
|
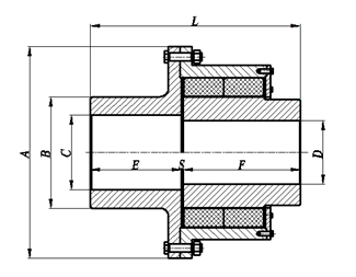
TLW系列W型膠塊聯軸器

膠塊聯軸器產品型號說明
聯軸器的編號由五段組成,例如:

A段:表示聯軸器特征,由字母組成
B段:表示聯軸器的最大外徑
C段:表示主、從動機軸端配合軸徑和長度,各字母含義如下表
字母 |
含義(GB3852) |
字母 |
含義(GB3852) |
Y
J
J1
Z
Z1 |
Y型-長圓柱形軸孔
J型-有沉孔的短圓柱形軸孔
J1型-無沉孔的短圓柱形軸孔
Z型-有沉孔的圓錐形軸孔
Z1型-無沉孔的圓錐形軸孔 |
A
B
B1
C
D |
A型-平鍵單鍵槽
B型-120o布置平鍵雙鍵槽
B1型-180o布置平鍵雙鍵槽
C型-圓錐形軸孔平鍵單鍵槽
D型-圓柱形軸孔普通切向鍵鍵槽 |
D段:表示主從動機軸端間距離
E 段:表示該聯軸器設計號(或用戶機組號)
TLW系列W型膠塊聯軸器結構特點
W型膠塊聯軸器廣泛應用與內燃機機組、變頻機組、同步電機機組、往復機機組、活塞式壓縮機機組。其主要特點有傳遞扭矩能力大,吸收不對中能力強,可消除機組由于不對中引起的振動、沖擊,無需潤滑,拆裝方便,能夠應用與惡劣環境中(如潮濕、砂礫、高溫),可提高使用機組壽命,便于檢修。
W型膠塊聯軸器的基本參數和主要尺寸
型號 |
公稱扭矩(Nm) |
許用轉速(rpm) |
A
(mm) |
B
(mm) |
C/D
(mm) |
E/F
(mm) |
S
(mm) |
L
(mm) |
重量(Kg) |
轉動慣量(kg.) |
TLW265 |
900 |
4300 |
265 |
120 |
80 |
80 |
4 |
164 |
26 |
17.6 |
TLW305 |
1700 |
3700 |
305 |
142 |
95 |
95 |
4 |
194 |
45 |
35.6 |
TLW365 |
3200 |
3200 |
365 |
170 |
115 |
120 |
4 |
244 |
76 |
85.2 |
TLW435 |
4500 |
2700 |
435 |
195 |
130 |
135 |
6 |
276 |
117 |
166.5 |
TLW455 |
7600 |
2600 |
455 |
217 |
145 |
150 |
6 |
306 |
135 |
226.3 |
TLW535 |
11000 |
2300 |
535 |
262 |
175 |
180 |
6 |
366 |
230 |
558.2 |
型號 |
公稱扭矩(Nm) |
許用轉速(rpm) |
A
(mm) |
B
(mm) |
C/D
(mm) |
E/F
(mm) |
S
(mm) |
L
(mm) |
重量(Kg) |
轉動慣量(kg.) |
TLW575 |
17000 |
2000 |
575 |
307 |
205 |
210 |
8 |
428 |
303 |
865.2 |
TLW645 |
26000 |
1850 |
645 |
330 |
220 |
230 |
8 |
468 |
450 |
1564.2 |
TLW695 |
36000 |
1750 |
695 |
350 |
235 |
245 |
8 |
498 |
565 |
2213.5 |
TLW755 |
48000 |
1600 |
755 |
397 |
265 |
275 |
10 |
560 |
715 |
3282.2 |
TLW805 |
61000 |
1500 |
805 |
427 |
285 |
285 |
10 |
580 |
892 |
4572.1 |
TLW895 |
88000 |
1350 |
895 |
517 |
345 |
345 |
10 |
700 |
1233 |
7944.1 |
TLW985 |
115000 |
1200 |
985 |
562 |
375 |
375 |
12 |
772 |
1783 |
13826.3 |
TLW1065 |
185000 |
1100 |
1065 |
607 |
405 |
425 |
12 |
862 |
2479 |
22401 |
TLW1155 |
260000 |
1000 |
1155 |
667 |
445 |
455 |
12 |
922 |
3182 |
33120 |
TLC系列C型膠塊聯軸器
C型膠塊聯軸器具有W型膠塊聯軸器相同的結構和特性:廣泛應用與內燃機機組、變頻機組、同步電機機組、往復機機組、活塞式壓縮機機組。其主要特點有傳遞扭矩能力大,吸收不對中能力強,可消除機組由于不對中引起的振動、沖擊,無需潤滑,拆裝方便,能夠應用與惡劣環境中(如潮濕、砂礫、高溫),可提高使用機組壽命,便于檢修。另外C型膠塊具有更大彈性。

C型膠塊聯軸器的基本參數和主要尺寸
見W型膠塊聯軸器的基本參數和主要尺寸。
C型膠塊和W型膠塊的結構對比
左側為C型膠塊、右側為W型膠塊

.jpg)
|