|
|
|
 根據類型分類 |
|
|
|
|
進入天碩聯軸器網絡展示中心
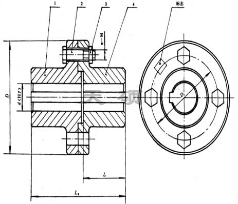
網頁位置:首頁>>產品展示>>剛性聯軸器>>凸緣聯軸器>> GYD型(原YLD型)-凸緣聯軸器>>YLD型-凸緣聯軸器基本參數和主要尺寸
剛性連軸器,凸緣聯軸器,GYD型(原YLD型)YLD型-凸緣聯軸器
GYD型(原YLD型) -凸緣聯軸器基本參數和主要尺寸
型號 |
公稱扭矩
Tn(N·m) |
許用轉速[n]r/min |
軸孔直徑d(H7) |
軸孔長度L |
D |
D1 |
螺栓 |
L0 |
轉動慣量
(kg.m2) |
重量
(kg.m³) |
Y型 |
J1型 |
數量
n |
直徑M |
鐵 |
鋼 |
鐵 |
鋼 |
Y型 |
J1型 |
YL1 YLD1 |
10 |
8100 |
13000 |
10
11 |
10
11 |
25 |
22 |
71 |
53 |
3(3) |
M6 |
54 |
48 |
0.0018 |
0.94 |
12
14 |
12
14 |
32 |
27 |
68 |
58 |
16
18
19 |
16
18
19 |
42 |
30 |
88 |
64 |
20
- |
20
22 |
52 |
38 |
108 |
80 |
YL2 YLD2 |
16 |
7200 |
12000 |
12
14 |
12
14 |
32 |
27 |
80 |
64 |
4(4) |
M6 |
68 |
58 |
0.0035 |
1.50 |
16
18
19 |
16
18
19 |
42 |
30 |
88 |
64 |
20
22 |
20
22 |
52 |
38 |
108 |
80 |
YL3 YLD3 |
25 |
6400 |
10000 |
14 |
14 |
32 |
27 |
90 |
69 |
3(3) |
M8 |
68 |
58 |
0.0060 |
1.99 |
16
18
19 |
16
18
19 |
42 |
30 |
88 |
64 |
20
22- |
20
22
24 |
52 |
38 |
108 |
80 |
128 |
92 |
YL4 YLD4 |
40 |
5700 |
9500 |
18
19 |
18
19 |
42 |
30 |
100 |
80 |
3(3) |
M8 |
88 |
64 |
0.0093 |
2.47 |
20
22
24 |
20
22
24 |
52 |
38 |
108 |
80 |
25
- |
25
28 |
62 |
44 |
128 |
92 |
YL5 YLD5 |
63 |
5500 |
9000 |
22
24 |
22
24 |
52 |
38 |
105 |
85 |
4(4) |
M8 |
108 |
80 |
0.013 |
3.19 |
25
28 |
25
28 |
62 |
44 |
128 |
92 |
30
- |
30
32 |
82 |
60 |
168 |
124 |
YL6 YLD6 |
100 |
5200 |
8000 |
24 |
24 |
52 |
38 |
110 |
90 |
4(4) |
M8 |
108 |
80 |
0.017 |
3.99 |
25
28 |
25
28 |
62 |
44 |
128 |
92 |
30
32
- |
30
32
35 |
82 |
60 |
168 |
124 |
YL7 YLD7 |
160 |
4800 |
7600 |
28 |
28 |
62 |
44 |
120 |
95 |
4(3) |
M10 |
128 |
92 |
0.029 |
5.66 |
30
32
35
38 |
30
32
35
38 |
82 |
60 |
168 |
124 |
- |
40 |
112 |
84 |
228 |
172 |
YL8 YLD8 |
250 |
4300 |
7000 |
32 35 38 |
32
35
38 |
82 |
60 |
130 |
105 |
4(3) |
M10 |
169 |
125 |
0.043
|
7.29 |
40 42
- |
|
112 |
84 |
229 |
173 |
6.53 |
YL9 YLD9 |
630 |
4100 |
6800 |
38 |
38 |
82 |
60 |
140 |
115 |
6(3) |
M10 |
169 |
125 |
0.064 |
9.53 |
112 |
84 |
229 |
173 |
40 42 45 48
- |
40
42
45
48
50 |
YL10 YLD10 |
630 |
3600 |
6000 |
45 48 50 55
- |
45
48
50
55
56 |
160 |
130 |
6(4) |
M12 |
0.112 |
12.46 |
- |
60 |
142 |
107 |
289 |
219 |
YL11 YLD11 |
1000 |
3200 |
5300 |
50 55 56 |
50
55
56 |
112 |
84 |
180 |
150 |
8(4) |
M12 |
229 |
173 |
0.205 |
17.97 |
60 63 65
- |
60
63
65
70 |
142 |
107 |
289 |
219 |
YL12 YLD12 |
1600 |
2900 |
4700 |
60 63 65 70 71 75 |
60
63
65
70
71
75 |
200 |
170 |
12(6) |
M12 |
0.443 |
30.62 |
- |
80 |
52 |
38 |
349 |
269 |
0.463 |
29.52 |
YL13 YLD13 |
2500 |
2600 |
4300 |
70 71 75 |
70
71
75 |
142 |
107 |
220 |
185 |
8(6) |
M16 |
289 |
219 |
0.646 |
35.58 |
80 85
- |
80
85
90 |
172 |
132 |
349 |
269 |
YL14 YLD14 |
4000 |
2300 |
4800 |
80 85 90 95 |
80
85
90
95 |
172 |
132 |
250 |
215 |
12(8) |
M16 |
350 |
270 |
1.353 |
57.13 |
100
- |
100 110 |
212 |
167 |
430 |
340 |
YL15 YLD15 |
6300 |
2000 |
3400 |
-
- |
90
95 |
172 |
132 |
290 |
250 |
12(6) |
M20 |
350 |
270 |
2.854 |
89.59 |
100 110 120
- |
100 110 120 125 |
212 |
167 |
430 |
340 |
YL16 YLD16 |
10000 |
1800 |
3000 |
-
- 120 125 |
100 110 120 125 |
340 |
290 |
12(6) |
M24 |
5.271 |
119.57 |
130
- |
130 140 |
252 |
202 |
510 |
410 |
YL17 YLD17 |
14000 |
1600 |
2600 |
-
- |
120 125 |
212 |
167 |
380 |
330 |
12(6) |
M24 |
430 |
340 |
9.139 |
171.71 |
130 140 150 |
130 140 150 |
252 |
202 |
510 |
410 |
- |
160 |
302 |
242 |
610 |
490 |
YL18 YLD18 |
20000 |
1400 |
2300 |
-
- |
140 150 |
252 |
202 |
420 |
360 |
12(6) |
M30 |
510 |
410 |
(17.883) |
(263.5) |
-
-
- |
160 170 180 |
302 |
242 |
610 |
490 |
|